|
Postwar Television Radiola RA-952
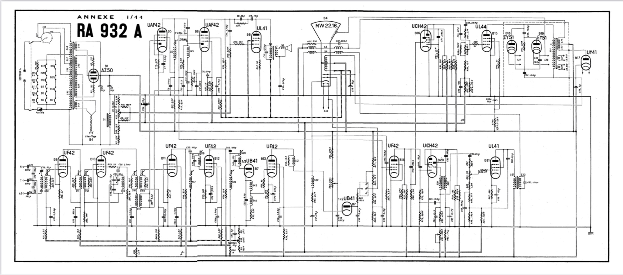
1949 Radiola RA-952, which uses is the same chassis as a Phillips TF–390X. was shipped from France years ago. The CRT is a MW22-14. This set is not equipped with a built in tuner. Donated to the museum by Al Hagovsky. Comments from Jermoe Halphen: Your Radiola RA-452 As you know, Radiola was the other name Philips used for its products. Often slightly different styling, but same electronics. The ETF photo mentions it's identical to the Philips TX-390 TV, we have it in our database, extensive documentation including a 42 page Theory of operation + schematics Careful !! Power supply is an auto-transformer, so a "hot" chassis. EHT is a flyback type. Here is the schematic. Here is a brief history of the Paris transmitter.
|




